Avatars (80x80)
Cool Sites
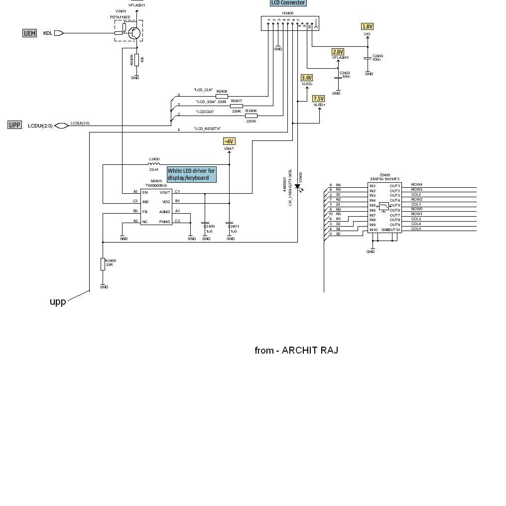
Nokia 1110 DIAGRAMES and schematics
Thousands of schematics and diagrames for repairing your mobiles just for free
PROBLEMS WITH SOLUTIONS (PICS) NOKIA 1110
| |||||||||||||||||||||||||||||||||||||||||||||||||||||||||||||||
|
AddMe - Search Engine Optimization
| |||||||||||||||||||||||||||||||||||||||||||||||||||||||||||||||
www.gsmtrcks.tk © 2007.
DIGITAL MOBILES GUDWAL WAH CANTT PAKISTAN











