Navigation
Avatars (80x80)
Cool Sites
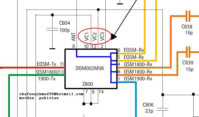
MIX ANTINA SWITCH
Thousands of schematics and diagrames for repairing your mobiles just for free
|
|
|
AddMe - Search Engine Optimization
|
www.gsmtrcks.tk © 2007.
DIGITAL MOBILES GUDWAL WAH CANTT PAKISTAN












